Internal Circlips Manufacturer | All Sizes Available » Shivsagar Industries

Internal Circlips

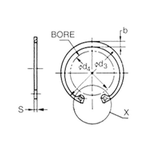
We design and manufacture a wide range of circlips. Used as a fastener, these products are semi-flexible metal ring that comes with open ends. We offer both the types of circlips that are internal and external. The different kinds of circlips offered by us can vary in terms of dimensions and type of raw materials used. We also manufacturer and supply Snap Ring and Horse Clamp.

Internal Circlip (Light Series)

Internal Circlips
Internal Circlips
Internal Circlips
Internal Circlips

Internal Circlip (Heavy Series)

Internal Circlips
Internal Circlips
Internal Circlips
Internal Circlips

The circlips shall be manufactured from spring steel of Grade EN42J and Stainless steel in 304 and 316 as per DIN : 472 & IS: 3075.

All sharp edges shall be removed from the circlips. The circlips shall be free from burrs, cracks, laminations and other defects.The maximum permission deviation on the profile at engaging lip may also be mutually agreed upon between the manufacturer and user in case of special application. Unless any alternative finish is specified by the purchaser, the circlips shall be chemically and/or thermally blackened or phosphate to Class A2 of IS: 3618-1968 ‘phosphate treatment of iron and steel for protection against corrosion’. These coated circlips shall be subjected to appropriate treatment to avoid hydrogen embrittlement.

Covers the requirement of circlips for bored of nominal diameter range 8 to 300 mm in normal type and 20 to 100 mm in heavy type.

  • Pumps
  • Shaft
  • Valves
  • Bore
  • Bearings
  • Motors